电子游戏试玩入口(证券代码831081),成立于2002年,是一家专业从事电力电子产品研发、制造、销售的高新技术企业。
了解更多
破碎机主要是对各类石料、煤块等大块硬度较高物料进行破碎作业,根据破碎的原理不同和产品颗粒大小不同,可分为很多型号。破碎机广泛运用于矿山、冶炼、建材、公路、铁路、水利和化学工业等众多行业。
一、破碎机工作原理
我们将现场常见和常用的破碎机列举出来:鄂式破碎机、反击式破碎机、锤式破碎机等。
鄂式破碎机:破碎方式为曲动挤压型,当动鄂推动动鄂板向定鄂板运动时,物料被压碎或劈碎。已被压碎或劈碎的物料从鄂板的下部排料口排出。随着电动机连续转动而破碎机动鄂作周期性地压碎和排泄物料,实现批量生产。
反击式破碎机:反击式破碎机是利用冲击力“自由”破碎原理来破碎物料的。物料进人破碎机中,受到高速回转的打击板的冲击,物料则沿着层理面、解理面进行选择性破碎、粉碎。
锤式破碎机:主要适用于破碎各种脆性材料的矿物,原料喂入破碎腔,物料碰上高速旋转的转子,被锤头迎头打击,大块物料被立即击碎,碎料高速飞向上反击板,进行第二次碰撞破碎,反弹物料与后续飞来的物料相互撞击破碎。

图1 鄂式破碎机

图2 反击式破碎机

图3 锤式破碎机
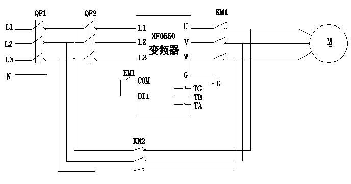
二、XFC550系列在破碎机上的应用
1.系统要求:
端子控制启停。
根据物料不同可以调整不同速度。
需要机器设备停机,会通过减速时间在一定时间内稳定停机。
刚启动时,主轴较低速度下,启动瞬间电流较大,要求力矩较大。
变频控制系统的基础上保留工频系统,互锁控制以作备用。
2.应用接线图:

三、方案特点及优势
XFC550变频器具有具20余种保护功能可以对控制回路及破碎机起到保护;
工频/变频转换和故障自切换等功能,使系统控制灵活方便,功能齐全;
节约能源是最有实际意义的,根据不同材料来调节电机转速工况是经济的运行状态;
提高破碎效果,变频控制系统具有精确的转速控制能力,变频控制破碎机的输出力矩随着负载变化而改变,有效地提高了工况的质量;
变频器能够有效的减小了启动冲击电流,对变压器的容量要求降低;
XFC550系列变频器启动扭矩大,SVC模式下0.3Hz能达到150%的转矩,FOC模式下0Hz能达到180%的转矩,充分满足了破碎机低频启动负载重的要求;
四、应用案例



Copyright © 2019 电子游戏试玩入口 保留所有版权 陕ICP备09009982号-1
陕公安备 61019002000087