电子游戏试玩入口(证券代码831081),成立于2002年,是一家专业从事电力电子产品研发、制造、销售的高新技术企业。
了解更多
一、游乐设备介绍
神州飞碟是一种常见的游乐设备,它是将静止载人的旋转机械转盘通过2台电机驱动工作的,一台负责驱动2.2吨转盘自转,而另一台负责转盘在轨道左右滑行。左右滑行的驱动电机利用机械本身的大惯量,电机正反转结合转盘自由下滑的速度同时驱动转盘短时间加速下滑使它达到新的高点来做往复运动来使它达到高点,通常整个体验需要三分钟。

(照片拍摄于2020年,地点天津某景点)
二、系统要求
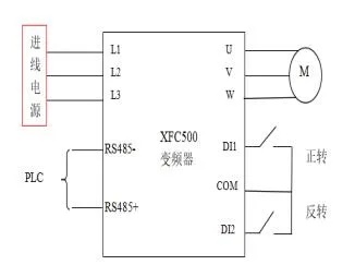
①、变频器与PLC通讯;
②、惯量大,启动快;
③、短时间启动电流冲击大,启动电流为额定电机电流的2倍多;
④、频繁正、反转启动;
三、应用接线图


四、方案特点及优势
①、变频控制系统在SVC矢量模式下变频器在低频状态下可输出大转矩拖动大惯量负载(0.3Hz/150%);
②、动态性能稳定,响应速度快,适宜于频繁正反转启动场合;
③、拥有高性能电流矢量算法可使得电机在0.5秒达到较佳转速,把输出电流控制在额定电流的2倍范围内,相比工频启动6倍电流显得更加平滑,而且工作电流大幅下降节能效果明显;
④、拥有完整的过流、过压、过载保护设备可靠运行;
⑤、体积紧凑、安装便利、操作简单。

Copyright © 2019 电子游戏试玩入口 保留所有版权 陕ICP备09009982号-1
陕公安备 61019002000087